
모터는 전기를 이용하여 회전 동작을 하는 부품이다. 우리가 전기를 이용하여 어떤 물리적 동작을 하는 대부분은 이 모터를 이용한 동작으로 보면 된다. 모터를 이용하여 전기를 회전하는 물리력으로 바꾸고 이 회전을 여러가지 물리력으로 변환하여 사용한다.
모터의 동작 원리를 살펴보면 정말 전자기학의 기본을 보여주는 예이다. 전기 전자를 한다면 한번쯤은 들어봤을 이름....패러데이.....페러데이의 왼손법칙이 그 주인공이다.

왼손법칙 처럼 전류가 흐르게 되면 그에 수직한 방향으로 자기장과 힘이 발생한다. 이를 이용하여 전류의 방향을 바꾸면서 힘을 조절하여 회전력을 만들어낸다.

모터를 돌리려면 사실 영구자석과 코일이 필요하다. 이 코일에 전류를 흘리게 되면 전류가 흐르는 수직 방향으로 힘과 자계가 발생하고 이를 이용하여 회전을 이뤄낸다. 회전을 계속 유지하기 위해서는 전류 방향을 역방향으로 전환시킨다.
모터는 여러가지 종류가 있는데 크게 5개의 모터로 나눌 수 있다.
1. DC 모터

앞서 설명한 원리를 이용하여 회전시키는 모터이다. 고정자로 영구 자석, 회전자로 코일을 사용하며 전기자에 흐르는 전류의 방향을 전환하여 회전력을 생성시킨다. 회전 제어가 단순하고 우수하다.
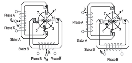
2. AC 모터

상용 전원과 같은 고전압을 모터권선에 직접 공급하여 회전시키는 교류 전원 모터로 가장 널리 쓰이는 모터이다. 정류자가 없어 정지하므로 적당한 시기에 전류 방향을 교류로 바꾸면 주파수에 맞는 회전 속도로 회전한다. 즉, 전류의 방향을 교류의 전환으로 바꾸게 되는 것이다. 가전 제품에 많이 사용된다.
3. 스테핑 모터 (Stepping Motor)

스탭 모터라고 불리며 스테이터(고정자)와 로터(회전자)로 구성된다. 고정자의 극수에 따라 단상, 2,3,4등의 모터로 다양하다. 쉽게 보면 DC 모터를 여러 각도로 구현한 것으로 생각하면 쉽다. 각각의 로터와 스테이터로 인해 세밀한 각도 제어와 빠른 회전이 특징이다.

4) 브러시리스 모터(BrushLess DC Motor)

DC 모터는 브러시가 있는 모터와 브러시가 없는 모터로 나뉜다. 일반적인 DC모터는 브러시와 정류자가 있고 BLDC라고 하는 브러시와 정류자가 없는 모터가 있다. 이런 모터를 만든 이유는 브러시가 있으므로 이 브러시로 인해서 기계적, 전기적 노이즈가 발생하기 때문이다. 당연히 브러시가 있는 것이 모터 자체로서의 성능은 좋다. 다만 회전에 의해 발생하는 노이즈이므로 주파수 성분을 가지게 되기 때문에 정밀 전자 부품에는 다른 부품에 영향을 주게 되기 때문에 브러시를 제거하여 노이즈를 없앤 모터가 BLDC 모터이다. BLDC는 주로 높은 회전 성능과 긴 수명이 요구되는 분야와 앞서 말했듯이 노이즈에 민감한 전자 기기 등에 활용된다. 형태는 당연히 DC 모터와 외형적으로는 크게 다르지 않지만 전자적으로 정류자를 대신해야 하기 때문에 제어선이 더 많고 동작 제어가 더 복잡하다.
5) 서보 모터(Servo motor)

서보 모터의 어원은 뭐 여러가지 있어서 크게 뭐 의미가 없고 그냥 세밀하게 움직이는 모터 라는 말로 생각하면 된다. 서보 모터는 주로 속도를 정밀하게 제어하거나 위치를 정밀하게 제어하는데 사용한다. 그러다 보니 주로 로봇 분야에서 많이 상용이 된다. 특징은 경량, 소형, 정밀 제어, 급가속, 급제동이 있다. 서보 모터의 내부에는 코일이 감겨있는 일반 모터와 달리 수많은 기어와 톱니바퀴가 있고 이를 제어하는 전자회로가 들어가 있다.
'전자 이야기 > 부품 이야기' 카테고리의 다른 글
| [전자부품] 전자부품 구매 정리 (0) | 2023.01.10 |
|---|---|
| [부품] 전자 부품 용어 (0) | 2022.04.06 |
| [Buck컨버터] Buck 컨버터의 간단한 이해 (0) | 2022.02.22 |
| [전자부품] 릴레이 (Relay) (0) | 2021.10.16 |
| [전자] 저항 (Resistor) (0) | 2021.04.23 |
