1. Diode에 의한 AND 논리회로


A와 B 중 하나라도 Low 인 경우 +Vcc가 D1 또는 D2에 의해 Low로 빠져나가게 된다. D1과 D2가 모두 High인 경우 D1과 D2가 차단되어 +Vcc가 Z에 걸리게 된다.

2. Diode에 의한 OR 논리회로


A와 B 중 하나라도 High 인 경우 D1 또는 D2를 통하여 Z가 High가 된다. A와 B가 모두 0인 경우 D1과 D2가 차단상태가 되어 R1의 Low가 Z에 출력된다.

3. TR에 의한 NOT 게이트

A가 TR의 베이스 단자에 연결되어 있고 이미터 단자가 0V 이므로 TR의 턴 온 상태인 0.7V 이상이 되면 TR이 턴 온되어 0V가 출력되고 반대인 경우 RL을 통하여 Vcc 전압이 출력된다.

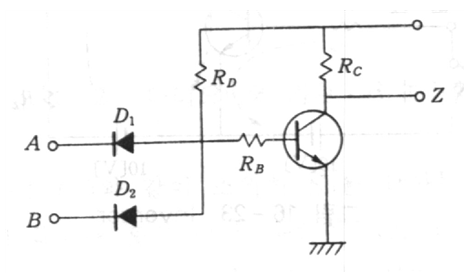
4. Diode와 TR에 의한 NAND 게이트

A와 B 중 하나라도 Low가 되면 Rd의 전압이 D1과 D2를 통해 빠져나가게 되어 TR은 차단 상태가 되고 Z는 Rc에 걸리는 전압이 된다. A와 B가 모두 High인 경우에는 D1과 D2가 차단 상태가 되어 Rd에 전압이 걸리고 TR의 베이스에 전압이 걸려 TR이 턴 온 상태가 되어 Z에 Low가 출력되게 된다. 보면 알겠지만 결국 NAND란 말과 같이 AND와 NOT을 합성한 모양이다.

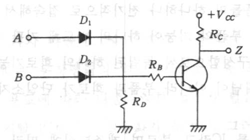
5. Diode와 TR에 의한 NOR

A와 B 중 하나라도 1인 경우 TR의 베이스에 A 또는 B에 입력된 전압이 걸리게 되어 TR이 턴 온이 되어 Z에는 0V가 출력된다. A와 B가 둘다 0인 경우에만 TR의 베이스에 전압이 걸리지 않아 TR이 턴 오프가 되어 Z에 Rc에 걸리는 Vcc가 출력되게 된다.

'전자 이야기' 카테고리의 다른 글
| 램에 대하여 (0) | 2020.02.05 |
|---|---|
| 드모르간의 정리 (0) | 2020.02.05 |
| 전자정보통신 약어정리 (0) | 2020.01.17 |
| 서지(Surge)와 서지 전압(Surge Voltage) (0) | 2020.01.08 |
| 정현파 교류의 식 (0) | 2020.01.07 |